Výrazný projekt obytných a kancelářsko-administrativních budov vyhýbající se kompromisům jak z hlediska architektonického, tak technologického. Místo s výrazným industriálním dědictvím nyní splňuje ty nejvyšší standardy i díky zodpovědnému hospodaření s vodou.
Profil zákazníka
Penta Real Estate, součást investiční skupiny Penta Investments, je klíčovým hráčem na poli developmentu nemovitostí ve střední Evropě. Společnost se profiluje jako strategický investor s dlouhodobou vizí, jejímž cílem je vytvářet nadčasové a hodnotné projekty, které přinášejí přidanou hodnotu městskému prostředí, komunitám i investorům.
Penta Real Estate se specializuje na výstavbu rezidenčních, kancelářských a multifunkčních projektů prémiové kvality. Vývojová strategie společnosti je postavena na důsledném urbanistickém plánování, spolupráci s renomovanými architektonickými studii a využívání nejmodernějších technologií ve výstavbě.
Skupina dlouhodobě klade důraz na udržitelný rozvoj a ekologicky odpovědnou výstavbu. Proto systematicky integruje environmentální standardy do všech fází developmentu – od akvizice pozemků až po samotnou realizaci a správu objektů.
Součástí této strategie je certifikace budov dle mezinárodních standardů LEED a BREEAM, implementace energeticky úsporných technologií a obnovitelných zdrojů energie a maximální využití recyklovaných a lokálních materiálů. Důraz je také kladen na ochranu biodiverzity a zelené infrastruktury ve městském prostředí
Penta Real Estate vnímá udržitelnost nejen jako součást své společenské odpovědnosti, ale jako strategický pilíř pro budoucí konkurenceschopnost a tvorbu dlouhodobé hodnoty.
Potřeba zákazníka
Projekt Rezidence Waltrovka jehož administrativně-kancelářská část se dělí na bloky Aviatica, Mechanica a Dynamica, úspěšně usiloval o mezinárodní certifikaci BREEAM Europe – konkrétně ve stupních Excellent a Very Good. Tohoto prestižního hodnocení projekt dosáhl i díky využití pokročilých technologií pro nakládání s dešťovou vodou. Budovy tak splňují přísná kritéria v oblastech energetické efektivity, kvality vnitřního prostředí a environmentálního řízení, stejně jako vysoký standard udržitelnosti.
Vstupní parametry
Objekty Dynamica a Mechanica počítali s osazením jemného sítového filtru a navíc i fyzikálními úpravnami, které chrání navazující rozvody a technologii.
V rámci sekce AB delta Radlická pak bylo počítáno s kapacitním řešením úpravy dešťové vody pro splachování toalet a zálivku.
Celkový počet WC – 172
Celkový očet pisoárů – 71
Dvě akumulační nádrže dimenzované pro splachování a zálivku Qmax=3 m3/hod, H=40m.
Naše nabídka
Novostavba AB DELTA Radlická – objekty B a C - DV pro splachování WC a závlahu- Automatická tlaková stanice ATS
- Průmyslový filtr na studenou a teplou vodu s hydropohonem
- Plně automatický, časově řízený pískový filtr pro filtraci užitkové nebo pitné vody
- Speciální náplňový filtr pro odstraňování huminových látek
- Sklepní nádrž GKT 4.0, 4000 l
- Nízkotlaká UV výbojka 254 nm se zvýšeným výkonem
- EKOTECH řídící systém úpravny vody KONtrol 01
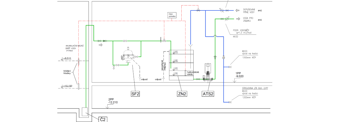
Instalační schéma - technologie splachování

Instalační schéma - technologie zálivky

Dosažený přínos technologie a hodnocení provozovatele
I díky využitým technologiím pro šetrné hospodaření s vodoou byl projekt úspěšně certifikován v rámci hodnocení BREEAM Europe – konkrétně ve stupních Excellent a Very Good.
Certifikace BREEAM hodnotí efektivitu zařízení, měření spotřeby vody a alternativní zdroje – právě recyklace a využití dešťové vody je jedním z těchto bodovaných opatření. Využívání dešťové vody přispívá k nižší ekologické stopě budovy, což se promítá do dalších oblastí hodnocení (např. celková uhlíková stopa, dlouhodobá udržitelnost provozu). Dalším přínosem je pak nižší zatížení místní kanalizační sítě a navazující infrastruktury.