Dešťová vody coby cenný alternativní zdroj se i díky platné legislativě stala nedílnou součástí našeho chápání, jak s vodou v budovách hospodařit. Ovšem práce s tímto zdrojem má svá specifika, která je dobré mít při návrhu řešení na paměti, abychom se vyhnuli případným problémům. V rámci projektu Bořislavka centrum jsme klientovi navrhli a dodali robustní řešení jímání dešťových vod, stejně jako úpravnu vody pro zálivku interiérové zeleně.
Profil zákazníka
Skupina KKCG je mezinárodní investiční společností. Vyvíjí podnikatelské aktivity ve 36 zemích světa a mezi její klíčové obory patří loterijní a herní průmysl, energetika, informační technologie a reality.
Vlastní podíly v mnoha mezinárodních společnostech, mezi něž patří například Allwyn, ARICOMA Group, MND Group, KKCG Real Estate, Springtide Ventures a další. Skupina má vice než devět tisíc zaměstnanců.
Potřeba zákazníka
Pro vytvoření reprezentativního zázemí pro potřeby vlastní i jiných významných firem se KKCG rozhodla pro zástavbu volné plochy u Evropské třídy v Praze 6, na Bořislavce. Úkolem pro vítězné architekty nebylo jen neotřelé tvarové řešení budov komplexu administrativního centra, ale i velký důraz na použití pokročilých environmentálních technologií. Jednou z nich bylo jímání dešťové vody a její využití pro závlahy.
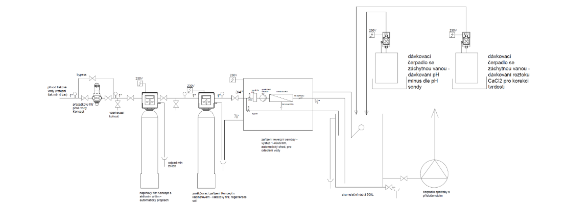
Součástí velkoryse pojatých interiérů je pak rovněž epifytová zeleň, pro jejíž zálivku jsme navrhli a dodali úpravnu specifické vody zohledňující nároky osazených rostlin.
Vstupní parametry
VYUŽITÍ DEŠŤOVÝCH VOD:
plocha střech 7632m2, pochozí zpevněné plochy 3800 m2
AT stanice do spotřeby H - 35m, Q - 25 m3/h (10 vstupů po 2,5 m3/h)
Výroba specifické vody – zálivka epifytu v 1. a 6. NP
Naše nabídka
Nádržový systém EKOTECH RainFill
Vedle samotného využití srážkových vod a základních parametrů, jako jsou lokální srážkové podmínky či charakteristiky odvodňované plochy (velikost, materiál, znečištění), by při návrhu jímání dešťových vod nemělo být zapomínáno na důležitost kvalitní vstupní filtrace.
Nedostatečná filtrace hrubých nečistot či nízká míra sedimentace anorganických částic v místě jímání totiž může vést ke škodám na technologii či vysokým provozním nákladům.
Pro úpravu dešťové vody z pěších zón a střech byla proto vybrána technologie firmy GREENLIFE. Jedná se o biologické separátory s vícečetnou funkcí a přínosem.
Nádržový systém pro dešťovou vodu plní funkci zklidněného nátoku, filtru hrubých nečistot, sedimentace, biologické separace organických látek, úpravy pH a bezpečnostního přepadu. Je vhodný pro jakékoliv nádrže s příslušným průměrem vstupního hrdla.
Instalační schéma

Dosažený přínos technologie
Vedle komplexní technologie filtrace a úpravy vody jsme v případě obchodního a administrativního centra Bořislavka navrhli a dodali technologii pro jímání a další využití dešťové vody.
Jejím klíčovým prvkem je pak právě sada biologických separátorů EKOTECH RainFill osazených do betonové retenčně akumulační nádrže o objemu úctyhodných 270 m3.
Podařilo se tak vyřešit absenci dešťové kanalizace a zároveň zajistit zajímavou úsporu využitím srážkových vod pro závlahu.